Brand: EVP
Classification: Gas valve category
Availability : In Stock
DDC-JQ series electro-magnetic vacuum gas valve is a special valve installed in rotary vane vacuum pump.

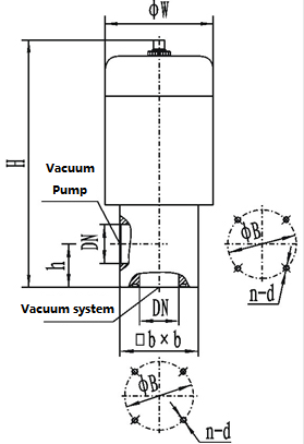
Connection and Dimensions:
| Model | Nominal Diameter(DN) | ΦW | ΦB | H | h | bxb | n-d | Model of the matching mechanical pump | 
| DDC-JQ16A | 16 | 68 | 42 | 176 | 28 | 48×48 | 4-M5 | 2XZ-0.5/1 | 
| DDC-JQ25A | 25 | 82 | 55 | 199 | 35 | 58×58 | 4-M6 | 2XZ-2/4 | 
| DDC-JQ32 | 32 | 92 | 64 | 226 | 40 | 68×68 | 4-M6 | 2XZ-4 | 
| DDC-JQ40 | 40 | 110 | 70 | 245 | 44 | 80×80 | 4-M6 | 2XZ-8 | 
| DDC-JQ50A | 50 | 125 | 90 | 290 | 56 | 95×95 | 4-M8 | 2X-15 | 
| DDC-JQ65 | 65 | 135 | 105 | 320 | 65 | 115×115 | 4-M8 | 2X-30A | 
| DDC-JQ80 | 80 | 165 | 125 | 367 | 75 | 140×140 | 4-M8 | 2X-70A | 
DDC-JQ series electro-magnetic vacuum gas valve is a special valve installed in rotary vane vacuum pump.
The valve and pump should be connected in the same power. The pump start / stop directly controls the valve open / close. When the pump stops working or there is a sudden interruption of the power supply, the valve will automatically close the Vacuum system and fills gas into pump through the pump gas inlet. In this way, it prevents the pump oil return to the Vacuum system.
The applicable active medium of this valve are air, non-corrosive gas.
Note: Quick release and Loose flange connection and outline dimension Please refer to DDC-JQ-B series electro-magnetic vacuum gas valve( including DN100 spec.)
Main Technical Performance:
| Scope (Pa) | 105~1×10-2 | 
| Valve Leakage Rate(Pa.L/S) | <6.7×10-4 | 
| Applicable temperature (℃) | -25~+50 | 
| Winding temperature (℃) | ≤65 | 
| Time for opening and closing the valve (S) | ≤3 | 
| Rated voltage (V/Hz) | 220±10%/50 | 
| Flange Standard | JB919 | 
If possible, kindly suggest please your working industry/process, working pressure, working medium, etc. Given detailed request helps to gain better-matched customized solution. Thanks for your patience. 
        
your request will be responsed within 3 hours, kindly pay attention to your email please.